Joseph Crowe
E-250 Front Horn 3D CAD Files + Drawings

Couldn't load pickup availability
The E-250 Front Horn is designed to accommodate either two BG Neo8 planar drivers or four THIEL 10F/8424G02 4" fiberglass midrange drivers. Both configurations offer full bandwidth coverage from 250Hz-20kHz.
By purchasing these plans you will automatically receive by email the following files...
- 3D CAD Files of E-250 Front Horn (.iges format)
- PDF Assembly and Detail Drawings (PDF format)
- 3D CAD File of flat nested layout of all shapes on 24" x 36" plywood panels (.iges format)
- Detail drawing for rear chamber
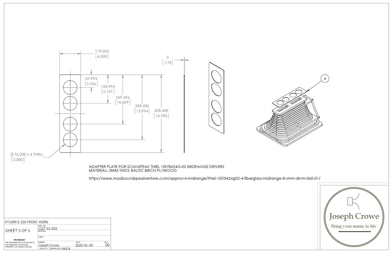
- Adapter plate to mount four Thiel 10F drivers
The E-250 front horn is constructed from multiple layers of 18mm thick baltic birch plywood. Each layer is to be CNC machined on a router table. After each layer is machined then the assembly is a simple matter of gluing and stacking the layers. Each layer is held down to the CNC machine bed by at least four screw holes. These screw holes are then used for alignment dowels during glue-up.
The plans are for personal use only (DIY). For commercial licensing please inquire.








